Nema 17 Stepper Motor Set Sequence Of Steps
About the project
In this tutorial we will learn how to set a sequence of steps and direction for the stepper motor NEMA 17 and repeat them in a loop.
Project info
Difficulty: Moderate
Platforms: Arduino, SparkFun, Visuino
Estimated time: 1 hour
License: GNU General Public License, version 3 or later (GPL3+)
Items used in this project
Hardware components
Story
1 / 7







- Arduino UNO (Or any other Arduino)
- Stepper motor NEMA 17
- A4988 Stepper Motor Driver or (DRV8825)
- DRV8825/A4988 Stepper Driver Expansion Module
- Jumper wires
- Power Supply 12V
- Visuino program: Download Visuino
1 / 2


Thank you PCBWay for supporting this tutorial and helping users learn more about electronics.
NEW! Now you can get Aluminum PCB & FLEX PCB in their Special Offer!
What I like about the PCBWay is that you can get 10 boards for approximately $5 which is really cost effective for professional made boards, not to mention how much time you save!
Go check them out here. They also offer a lot of other stuff in case you might need it like assembly,3D printing,CNC machining and a lot more.
Step 3: Circuit1 / 2


- Arduino Digital Pin 2 will be used for Steps
- Arduino Digital Pin 3 will be used for Motor Direction
If using a Stepper Motor Driver Shield:
- Connect Motor Shield GND pin to Arduino negative pin [GND]
- Connect Motor Shield [5V] pin to Arduino positive pin [5V]
- Connect Motor Shield GND pin to Power Supply negative pin [GND]
- Connect Motor Shield [9V] pin to Power Supply positive pin [+]
- Connect Motor Shield pin[S] to Arduino digital pin [2]
- Connect Motor Shield pin[D] to Arduino digital pin [3]
- Connect stepper motor as shown on the picture.
If using a Stepper Motor Driver 8825:
- Connect DRV8825 GND pin to Arduino negative pin [GND]
- Connect DRV8825 DIR pin to Arduino digital pin [3]
- Connect DRV8825 STEP pin to Arduino digital pin [2]
- Connect Power Supply for the motor to DRV8825 VMOT and GND
- Connect Capacitor across VMOT and GND
- Connect stepper motor as shown on the picture.
1 / 2


Start Visuino as shown in the first picture Click on the "Tools" button on the Arduino component (Picture 1) in Visuino When the dialog appears, select "Arduino UNO" as shown on Picture 2
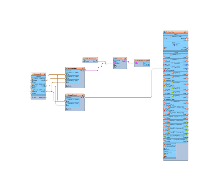
In Visuino Add Components1 / 9









- Add "Counter" component
- Add "Pulse Generator" component
- Add "Unsigned To Digital" component
- Add "Integer Value" component
- Add "Sequence" component
- Add "Digital (Boolean) Value" component
1 / 13













- Select "Counter1" and in the properties window select "Max" > "Value" and click on the Pin Icon and select "Integer SinkPin"
- Select "Counter1" and in the properties window set "Max" > "Value" to 0 and "Roll over" to False
- Select "Counter1" and in the properties window set "Min" > "Value" to 0 and "Roll over" to False
- Select "UnsignedToDigital1" and in the properties window set "Output Pins" to 1
- Select "PulseGenerator1" and in the properties window set "Frequency" to 2000 << this will be the speed of the stepper motor, you can adjust it to your needs
Setting the steps:
- Double click on the "IntegerValue1" and in the Elements window drag "Set Value" to the left side and in the properties window set "Value" to 1000
- drag another "Set Value" to the left side and in the properties window set "Value" to 800
- drag another "Set Value" to the left side and in the properties window set "Value" to 3000
- Close the Elements window
Setting the direction:
- Double click on the "DigitalValue1" and in the Elements window drag "Set Value" to the left side
- drag another "Set Value" to the left side and in the properties window set "Value" to True
- Close the Elements window
Setting the Sequence:
- Select "Sequence1" and in the properties window set "Repeat" to True
- Double click on the "Sequence1" and in the Elements window drag "Period" to the left side
- drag another "Period" to the left side and in the properties window set "Delay" to 2000
- drag another "Period" to the left side and in the properties window set "Delay" to 2000
- Close the Elements window
1 / 2


- Connect "Sequence1" > "Period1" pin [Out] to "DigitalValue1" > "Set Value1" pin [In]
- Connect "Sequence1" > "Period1" pin [Out] to "IntegerValue1" > "Set Value1" pin [In]
- Connect "Sequence1" > "Period2" pin [Out] to "DigitalValue1" > "Set Value2" pin [In]
- Connect "Sequence1" > "Period2" pin [Out] to "IntegerValue1" > "Set Value2" pin [In]
- Connect "Sequence1" > "Period3" pin [Out] to "DigitalValue1" > "Set Value1" pin [In]
- Connect "Sequence1" > "Period3" pin [Out] to "IntegerValue1" > "Set Value3" pin [In]
- Connect "PulseGenerator1" Pin[Out] to "Counter1" Pin [In]
- Connect "IntegerValue1" Pin [Out] to "Counter1" Pin [Reset]
- Connect "IntegerValue1" Pin [Out] to "Counter1" > 'Max > Value" Pin [In]
- Connect "Counter1" Pin [Out] to "UnsignedToDigital1" Pin [In]
- Connect "UnsignedToDigital1" Pin [Out] to Arduino Board Digital Pin [2]
- Connect "DigitalValue1" Pin [Out] to Arduino Board Digital Pin [2]

In Visuino, at the bottom click on the "Build" Tab, make sure the correct port is selected, then click on the "Compile/Build and Upload" button.
Step 9: PlayIf you power the Arduino module and press the button the motor will do will start to run and when it reaches a certain amount of steps in our case 1000 it will change the direction and do 800 steps and after that change the direction again and do a 3000 steps. Because we set the Sequence component Repeat to True, the motor will continue to do this in a loop.
Congratulations! You have completed your project with Visuino. Also attached is the Visuino project, that I created for this Tutorial, you can download it here and open it in Visuino: https://www.visuino.eu
Leave your feedback...