Display Text On Rp2040-matrix Using Visuino
About the project
In this tutorial we are going to display text on the RP2040-Matrix using Visuino. Watch the Video!
Project info
Difficulty: Easy
Platforms: Arduino, Pi Supply, Raspberry Pi, Visuino
Estimated time: 1 hour
License: GNU Lesser General Public License version 3 or later (LGPL3+)
Items used in this project
Story
1 / 2


- RP2040-Matrix more info
- Visuino program: Download Visuino
1 / 2


Start Visuino as shown in the first picture Click on the "Tools" button on the Arduino component (Picture 1) in Visuino When the dialog appears, select "Waveshare RP2040-Matrix RGB 5x5" as shown on Picture 2
Step 3: In Visuino Add Components1 / 5





In this example we are going to display text "VISUINO", because word Visuino has 7 letters we will add
- 7X "Text Value" component
also add:
- "Text Mux(Multi channel Switch)" component
- "Pulse Generator" component
- "Counter" component
- "Text Multi Source" component
1 / 10










- Since our word Visuino has 7 letters we will select "TextMux1" and in the properties window set "Input Pins" to 7
- and in each "Text Value" component we will add one letter, for example "Text Value1" we set in the properties window "Value" to V, "Text Value2" we set in the properties window "Value" to I and so on
- Also select "Counter1" and in the properties window set "Max>Value" to 6, so the amount of letters -1
- Select "MultiSource1" and in the properties window set "Output Pins" to 3
- Select Waveshare RP2040-Matrix RGB 5x5 and in the properties window expand "Modules" > "RGB Matrix" and click on the "Elements" 3 dot button.
- In the "Elements" window :
- drag "Fill Screen" to the left side
- drag "Draw Text" to the left side, and in the properties window set "Color" to aclNavy or any other color,
- Select "Text" and click on the Pin icon and select String SinkPin
- Select "Elements" and click on the 3 dot button, in the "Elements" window drag "Font to the left side and in the properties window set "Font" to AdafruitPicopixel
- Close the Elements windows
1 / 2


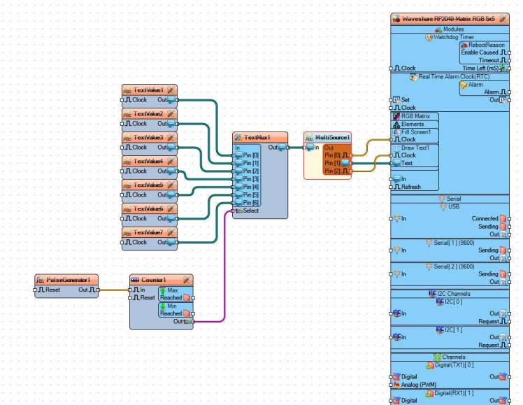
- Connect "TextValue1" pin [Out] to "TextMux1" pin [0]
- Connect "TextValue2" pin [Out] to "TextMux1" pin [1]
- Connect "TextValue3" pin [Out] to "TextMux1" pin [2]
- Connect "TextValue4" pin [Out] to "TextMux1" pin [3]
- Connect "TextValue5" pin [Out] to "TextMux1" pin [4]
- Connect "TextValue6" pin [Out] to "TextMux1" pin [5]
- Connect "TextValue7" pin [Out] to "TextMux1" pin [6]
- Connect "PulseGenerator1" pin [Out] to "Counter1" pin [In]
- Connect "Counter1" pin [Out] to "TextMux1" pin [Select]
- Connect "TextMux1" pin [Out] to "MultiSource1" pin [In]
- Connect "MultiSource1" pin [0] to Waveshare RP2040-Matrix RGB 5x5 > "Fill Screen1" pin [Clock]
- Connect "MultiSource1" pin [1] to Waveshare RP2040-Matrix RGB 5x5 > "Draw Text1" pin [Text]
- Connect "MultiSource1" pin [2] to Waveshare RP2040-Matrix RGB 5x5 > "Draw Text1" pin [Clock]

- In Visuino, at the bottom click on the "Build" Tab, make sure the correct port is selected, then click on the "Compile/Build and Upload" button.
After uploading the project to the Waveshare RP2040-Matrix the RGB LED Matrix will start to Display the text.
You can display any text just make sure to put enough "Text Value" components and set the timer and other components correctly.
Congratulations! You have completed your LED project with Visuino. Also attached is the Visuino project, that I created for this Tutorial. You can download and open it in Visuino: https://www.visuino.com
Leave your feedback...